เรามีฟรีแลนซ์มืออาชีพด้าน...
ที่พร้อมเปลี่ยนไอเดียของคุณให้เป็นความจริง
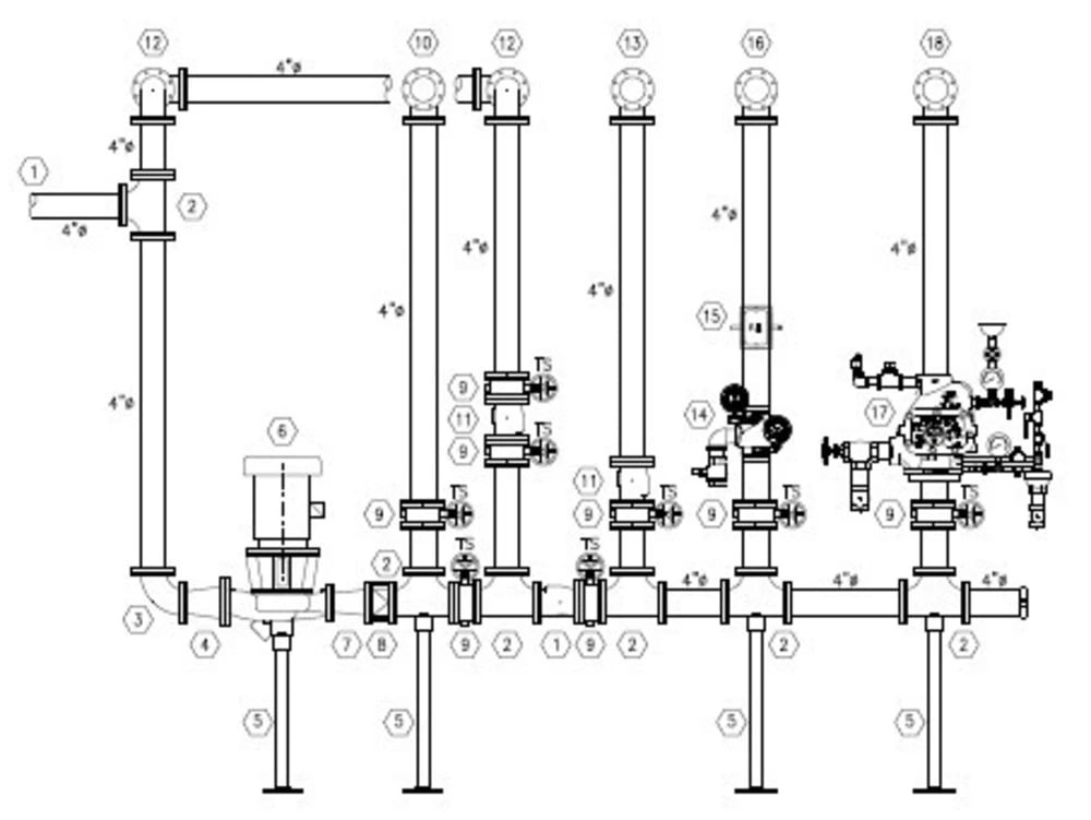
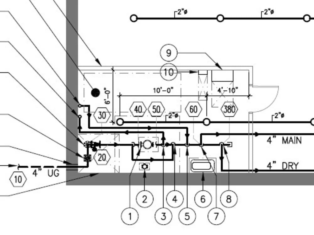
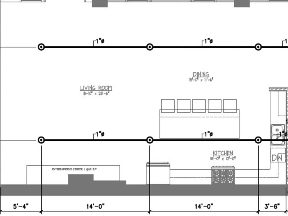
Complete 2D Automatic Fire Sprinkler Design with Hydraulic Calculation for Wet/Dry System in compliance with NFPA and other international codes and standards for low to high rise - residential, commercial & mixed use building.